Our work is principally focusing on the deformation of crust (and mantle) rocks at all scales. It relies on two strong forces of our team : Fields Geology and a more quantitative approach based on deformation laboratory experiments (Paterson and Griggs apparatus)  and spectroscopy (Ar-Ar).

Axis 1 : Deformation processes

For a large range of scales, from crystal to pluri-kilometer shear zones, this research axis focuses on the connection between deformation processes, chemical reactions and fluid transfers. The observation of natural objects, laboratory experiments (in the Griggs and Paterson apparatuses), and numerical modelling will be combined to reveal the properties of two-phased material, composed of a solid and a fluid (water or magmatic fluid) phases.

Shear zones in metapelites from Sambagawa metamorphic belt, Japan.
Shear zones in metapelites from Sambagawa metamorphic belt, Japan.

Deformation, metamorphic reactions and fluid circulation (solid + water) :

  • What is the role of fluids in solid deformation? This study will focus in particular on quantifying pressure-solution and element transfer in a fluid phase, as well as phase nucleation during mylonite deformation. We work at the same time on natural shear zones (South Armorican Shear Zone, Hidaka in Japan) and on experiments at high-pressure and temperature (Griggs-type apparatus).

  • In return, what is the role played by deformation for the transport of fluids? We seek to describe and quantify water transport in mylonites, by combining deformation experiments and characterization of deformed natural structures (Infra-Red, study of fluid inclusions). The objective is to be able to constrain, in terms of flow and geometry, the circulation of fluids at the scale of the ductile crust.

  • How do deformation, metamorphic reactions and fluid-catalyzed processes interact to soften the material and localize the deformation? This theme of the localization of deformation at all scales, from the mineral to the lithosphere, is one of the main threads of the research work of the Geodynamics team. The field targets are multiple (subduction zones in Japan or in the Mediterranean, extension zones in the Mediterranean or in the Caledonides of Norway), as are the approaches, which include numerical modelling, analysis of natural objects, Ar-Ar ages and experimental deformation.

The plastic deformation of quartz assemblages results in expelling a large proportion of the water initially present in the grains and redistributing it in veins or at the grain boundaries (FTIR measurements on experimental assemblages deformed in a Griggs-type apparatus).
The plastic deformation of quartz assemblages results in expelling a large proportion of the water initially present in the grains and redistributing it in veins or at the grain boundaries (FTIR measurements on experimental assemblages deformed in a Griggs-type apparatus).

Magmas and crust deformation, migmatitization (solid + melt) :

  • How does crustal deformation control pluton emplacement? How, in turn, does the deformation of partially crystallized magmatic liquids influence the location of the deformation in the crust? This study is essentially based on the description of structures in the field, with various targets such as the plutons of southern China or those of the Aegean.

  • How to interpret the different fabrics (mineral, magnetic, crystallographic) observed in the granites? To what stage of crystallization do these crystalline fabrics correspond? What are the associated physical properties (viscosity, deformation mechanisms)? This study is based on the joint contributions of natural and experimental structures (in particular using the Paterson press), and focuses in particular on the high crystallinity domain of the liquid.

  • How do the deformation of the partially crystallized magmatic liquid and that of its solid surrounding structure articulate to control the percolation of the liquid in the solid skeleton, as well as the transport of the volatiles? How to trace these different transfers (magmatic and volatile liquids)? In this context, an axis of ​​research in development consists in tracing the circulation of fluids using isotopes of argon.

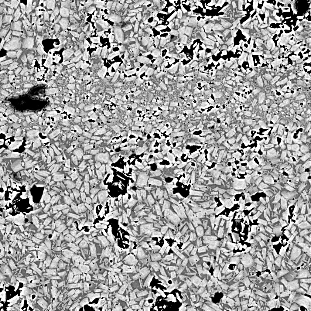
Intense cataclasis of crystals during experimental shear deformation of an assembly with 50% plagioclase crystals + magmatic liquid (M.Laumonnier's thesis, Paterson press experiment, image size ~700µm).
Intense cataclasis of crystals during experimental shear deformation of an assembly with 50% plagioclase crystals + magmatic liquid (M.Laumonnier's thesis, Paterson press experiment, image size ~700µm).

Axis 2 : Deformation at the scale of lithospheric plates

At the scale of lithospheric plates, this research axis revolves around the geometry and kinematics of convergence zones.

Cross-section through the Tende massif, Corsica, France. The deformation increases gradually from west to east, until it becomes intense in the heart of the crustal-scale shear zone that borders the eastern part of the Tende massif. The detailed field study shows that this deformation is in fact the result of the superposition of two distinct phases, with opposite kinematics.
Cross-section through the Tende massif, Corsica, France. The deformation increases gradually from west to east, until it becomes intense in the heart of the crustal-scale shear zone that borders the eastern part of the Tende massif. The detailed field study shows that this deformation is in fact the result of the superposition of two distinct phases, with opposite kinematics.

Continental accretion :

  • How does continental accretion proceed through space and time. The main target is the Central Asia Orogenic Belt, one of the largest Phanerozoic accretion belt and which is associated with world-class ore ressources. The respective role played by oceanic and continental subduction vs. strike-slip deformation, as well as the timing of accretion (Lower or Upper Paleozoic, Lower Mesozoic) are still controversial. This research topics forms the ground of an active collaborations with the universities of Nanjing and Beijing.

(a) The compilation of Early Permian paleomagnetic poles for major blocks in the southern Central Asia Orogenic Belt (CAOB.
(b) Early Permian paleogeographic reconstruction of the south CAOB. The color of the paleopole matches the color of the corresponding block.

Subduction :

  • In the evolution from oceanic subduction, continental subduction, collision then post-orogenic collapse, how and when are formed and exhumed metamorphic rocks? The main field targets are mountain belts in China, in the Variscan orogeny.

NW-SE cross-section of South China continental block, highlighting intra-continental subduction.
NW-SE cross-section of South China continental block, highlighting intra-continental subduction.